Dveřní závěs AN 150 3D, pro bezfalcové dveře, zinkový odlitek nikl mat
Detailní popis
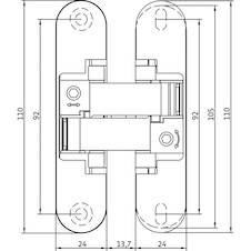
Skrytý závěs pro bezfalcové dveřeVlastnosti:
Nosnost: 40 kg
Materiál: zinkový odlitek
Seřiditelný ve třech směrech
Orientace dveří: pravolevé
Typ dveřního falcu: bezfalcové
Frézování: průměr 14 nebo 16
Úhel otevření: 180°
Požární odolnost: NE
Hodnocení produktu
Produkt zatím nikdo nehodnotil, buďte první!
ABS hrany
Laminované desky (LTD)
HPL na nosiči DTD
Hrany k pracovním deskám
Pracovní desky
Zádové desky
Těsnící lišty k pracovním deskám
Lakované desky
Dřevovláknité desky
Dřevotřískové desky (DTD)
Multifunkční panely (MFP)
OSB desky
Překližky
Laťovky
CETRIS desky
Vzorkovníky
Palubky
Stavební řezivo
Spárovky
Hoblovaný materiál
Konstrukční hranoly KVH
Lišty
Prahy
Zábradlí
Terasy
Dřevěný doplňkový materiál
Palivové dřevo
Závěsy a výklopy
Výsuvy, zásuvky, příborníky
Nohy, nožky, kolečka
Drátěný program
Světla a elektro
Úchytky, věšáky a knopky
Alu program, posuvné systémy
Nábytkové zámky
Spojovací materiál
Doplňkový materiál
Větrací mřížky
Podpěry, podpěrky, konzole
Dřezy
Baterie
Dávkovače
Drtiče odpadu
Spotřebiče
Odpadkové koše
Světla, elektro
Příslušenství
Ruční nářadí
Elektronářadí
Nástroje
Brusivo